EnglishFrenchGermanItalianPortugueseRussianSpanish
  SEARCH FOR A PRODUCT
 
       
  Products


QQ 76142497

Skype klsele_sales

Tel: 86-574-8682 8566
Fax: 86-574-8682 4882
E-Mail: sales@klsele.com


You are here: Home > Products > Sensors > PM2.5 Dust sensors
Laser dust sensor KLS26-ZH06-II All Products in PM2.5 Dust sensors  

Laser dust sensor


  Product Images
Laser dust sensor
 

  Product Information
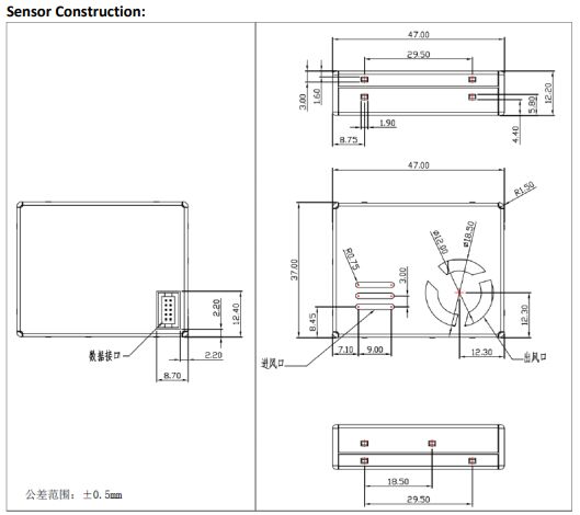
  • • Detection Range:0.3-10μm
  • • Preheating Time:30s
  • • Output:UART_TTL Output (3.3V level, default),PWM Output (3.3V level, default)
  • Principle Introduction:
     Laser Dust sensor module is a common type, small size sensor, using laser scattering principle to detect the dust particles in air, with good consistency and stability. It is easy to use, with UART & PWM output; Small size is suitable for integrating.
    Applications :
    Air purifiers 
    Ventilation systems 
    Portable instrument
    Air quality monitoring equipment
    Air conditioner
    Smart home fields







Picture Part No. PDF Description Order Qty. Time Order


  Related Products

Laser dust sensor
Laser dust sensor
KLS26-ZH06-I
Laser dust sensor
Laser dust sensor
KLS26-ZH06-IV
Laser dust sensor
Laser dust sensor
KLS26-ZH07
Laser dust sensor
Laser dust sensor
KLS26-ZH03B
 
PM2.5 Sensor
PM2.5 Sensor
KLS26-ZPH04
 





  Home
  Products
  New Products
  Sample Room
  Site Map
  Registration(3011)
  My Account
  News
  Videos
  About KLS
  Contact KLS